0,00 €*
Lieferzeit ca. 18-20 Werktage
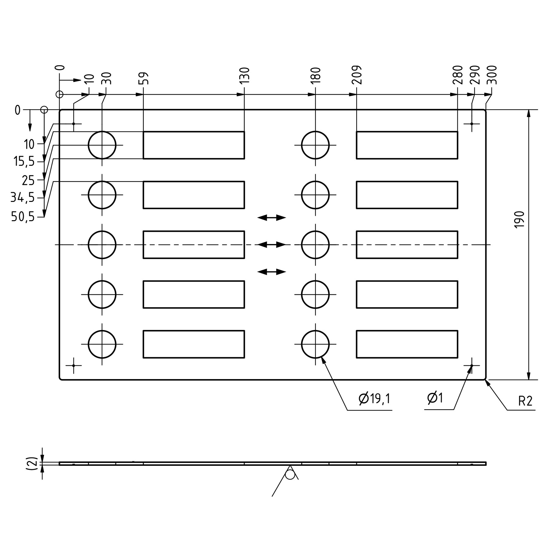
Edelstahl Klingelplatte 300x190 BASIC 421 pulverbeschichtet mit Namensschild - 10 Parteien
Die Klingelplatte BASIC in RAL Farbe ist sehr hochwertig verarbeitet und hat einen robusten Edelstahl-Taster. Die Montage erfolgt einfach durch Einbringung der mitgelieferten Dübel in das Mauerwerk, dann wird das Element in die Dübel "eingeschlagen". So erreichen Sie eine optimale und sichere Befestigung. Das Befestigungsmaterial ist enthalten.
- Klingelplatte für 10 Parteien aus 2mm Edelstahl, pulverbeschichtet in RAL Farbe feinstruktur matt.
- Runder Edelstahl-Klingeltaster, wahlweise mit LED Ringbeleuchtung.
- Maße: 300 x 190 x 2 mm (B x H x T).
- Inklusive Wechselnamensschild (Typ 2).
| Anzahl der Klingeltaster: | 10 Taster |
|---|---|
| Grundmaterial: | Edelstahl V2A 1.4301 |
Briefkasten Manufaktur Lippe GmbH
Werler Str. 60
32105 Bad Salzuflen
Deutschland
info@briefkasten-manufaktur.de
| Breite in mm: | 300 |
|---|---|
| Höhe in mm: | 190 |
| Tiefe in mm: | 2,0 + 30,0 |
