0,00 €*
Lieferzeit ca. 18-20 Werktage








































































Hausnummer PREMIUM Design 691 - 1-3-stellig - BI-Color
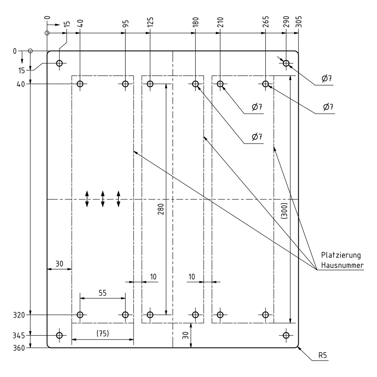
Die Auswahl der richtigen Schriftart ist bei einer Hausnummer entscheidend. Die optimale Lesbarkeit steht dabei an erster Stelle. Die Hausnummer ist aber auch ein wichtiges Gestaltungselement. Ein elegantes Grundblech mit aufgesetzter Hausnummer ergibt eine optimale Lesbarkeit. Dei Befestigung erfolgt mit Dübeln und Schrauben, welche beiliegend sind. Die Schraubenköpfe werden mit den beiliegenden Abdeckkappen aus Edelstahl V2A, geschliffen versteckt.
Made in Germany, hergestellt in Bad Salzuflen
- 1-3-stellige Hausnummer mit Grundplatte aus Edelstahl V2A, pulverbeschichtet und/oder geschliffen.
- Die Befestigung an der Wand erfolgt ganz einfach über die mitgelieferten Schrauben und Dübel.
- Inkl. 4x Schrauben Abdeckkappen aus Edelstahl V2A, geschliffen, so dass die Schrauben zur Befestigung der Frontplatte nicht sichtbar sind. Siehe Bilder.
- Ziffernhöhe 11 cm. Schriftart: "Arial". Die Angabe der Schrifthöhe bezieht sich auf die Versalhöhe der Zeichen. Durch die Schriftart können einzelne Zeichen davon abweichen. Dies ist typografischer Standard und stellt keinen Mangel dar.
- Grundplatte aus 1,5 mm Edelstahl V2A 1.4301. Abmessungen B 135 mm x H 360 mm.
- Hausnummernplatte aus 2 mm Edelstahl V2A 1.4301. Abmessungen B 75 mm x H 300 mm.
Grundmaterial: | Edelstahl V2A 1.4301 |
---|
Briefkasten Manufaktur Lippe GmbH
Werler Str. 60
32105 Bad Salzuflen
Deutschland
info@briefkasten-manufaktur.de
Breite in mm: | 305 |
---|---|
Höhe in mm: | 360 |
Tiefe in mm: | 2,0 |
Gewicht in kg: | 2,1 |
